Meine kleine Quantum-Drehmaschine D250x400 (Baujahr 2001), die mir beim Prototypenbau und bei der Fertigung von Ersatzteilen stets treue Dienste geleistet hat, kommt so langsam in die Jahre.

Der Motor verfügt noch nicht über eine variable Drehzahlsteuerung, sodass sich die Spindeldrehzahl nur durch Verändern der Position des Keilriemens auf den Riemenscheiben einstellen lässt. Für niedrige Drehzahlen gibt es außerdem ein Vorgelege.
Es gibt drei Riemenscheiben, mit denen sich die folgenden Drehzahlen einstellen lassen:
| A | B | C | ||
| ohne Vorgelege | 620 | 1000 | 2000 | U/min |
| mit Vorgelege | 125 | 210 | 420 | U/min |

Der Originalmotor hat eine Leistung von 750 Watt bei 230 Volt. Die Ausgangswelle misst 17 x 56 mm. Leider ist der Motor nicht für den Betrieb mit einem Frequenzumrichter geeignet.
Nach einiger Suche fand ich bei der Firma Wuttke in Espelkamp-Gestringen einen passenden Drehstrommotor für 230 V: den ABM-D71-C-4_B3 (https://shop.dwema.de/Elektromotor-Drehstrom-075kW-S6-1500-min-Welle-14mm-71-B3Fuss).
Nur die Welle mit den Maßen 14 x 30 mm passte nicht so richtig. Da der Umbau aber ansonsten nur wenige Änderungen an der Befestigung des Motors bedeutete, bestellte ich den Motor im Shop und einen passenden Frequenzumrichter mit 1,5 kW, 0–400 Hz, 230 V bei eBay. Das Ganze kostete ~170 €.
Um den Aufwand beim Ausprobieren gering zu halten, entschloss ich mich, einen Adapter zu drehen, um die zu kurze Welle des neuen Motors auf die erforderlichen 17 x 56 mm zu verlängern.
Damit kann man die originale 3-fach-Keilriemenscheibe weiterbenutzen.

Der neue Motor passte ohne große Änderungen an die Stelle des alten Motors. Die Befestigungsbohrungen konnten direkt übernommen werden. Das Vorgelege entfiel ersatzlos.


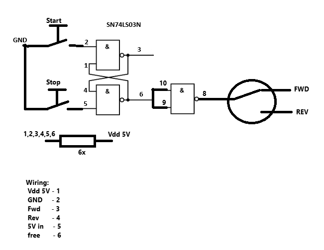
Da ich die kleinen Taster am Wechselrichter nicht immer betätigen wollte, sollten für die Rechts-/Links-Umschaltung und Ein-/Aus die Originalschalter weiterverwendet werden. Dazu wurde das Relais aus der Box entfernt und stattdessen zwei Microtaster mit etwas Elektronik eingebaut. Der Motor wird in Dreieckschaltung an die Ausgänge U, V und W des Frequenzumrichters angeschlossen.


Bei der Elektronik handelt es sich um eine einfache Set/Reset-Schaltung zur Erzeugung der FWD/REV-Signale für den Frequenzumrichter. Zusätzlich wurde die Umschaltung Rechts/Linkslauf eingebunden:

Die Drehzahleinstellung selber geschieht über einen kleinen Pontionmeter direkt vorne. Der Frequenzumrichter selber verschwindet in einem Schaltschrank, den ich für eine weitere Erweiterung der Drehmaschine schon gekauft hatte. Schlussendlich wurden die Parametern des Frequenzumrichter an den Motor noch etwas angepasst.

Fazit:
Die variable Drehzahleinstellung der Spindel ist eine echte Bereicherung. Das lästige Öffnen des Getriebedeckels und Umlegen des Keilriemens entfällt nahezu komplett, da nun stets die schnellste Übersetzung ausgewählt ist und niedrigere Drehzahlen über das Potentiometer eingestellt werden.